特長Features
便槽容量の算定
一般家庭の場合

● 1人1日あたりの量
1,330cc+1,700cc=3,030cc
●1人1ヶ月あたりの量
3,030cc×31日=93,930cc≒94ℓ

便槽算定自動計算フォーム(一般家庭)
【例】4人家族で簡易水洗トイレを使用の場合
100ℓ/月・人×4人=400ℓ(洗浄便座をご使用の場合は120ℓ/月・人 × 4人=480ℓ)
- ※非水洗(ボットン)トイレから簡易水洗トイレに取替えた場合、汲取り量は約2倍になります。
- ※洗浄便座をご使用の場合は、1人1ヶ月あたり15ℓ~20ℓ余分に使用水を加算してください。
- ※来客や家族が増えた場合や、掃除のときの使用水などを考えて大きめの便槽をお選びください。
- ※上記式での容量算定は1ヶ月に1度の汲取りを原則としています。積雪地帯など、汲取り回数が少なくなる地域では大きめの便槽をお選びください。
店舗などの場合
| 建物使用用途 | A 使用量(来客) | B 使用量(従業員) | ||
|---|---|---|---|---|
| 店舗 | 飲食店 | 軽食・喫茶店・食堂 | 来客数×0.3L×月の稼働日数 | 従業員数×4L×月の稼働日数 |
| ファミレス・ラーメン店 | 来客数×0.4L×月の稼働日数 | 従業員数×4L×月の稼働日数 | ||
| 居酒屋・カラオケ | 来客数×1.1L×月の稼働日数 | 従業員数×4L×月の稼働日数 | ||
| その他 | コンビニ | 来客数×0.3L×月の稼働日数 | 従業員数×4L×月の稼働日数 | |
| 上記以外 | 来客数×0.2L×月の稼働日数 | 従業員数×4L×月の稼働日数 | ||
| 公園 | 来場者数×0.4L×月の稼働日数 | |||
| 公民館・集会場 | 利用者数×0.4L×月の稼働日数 | |||
| 事務所・ガソリンスタンド | 来客数×0.4L×月の稼働日数 | 従業員数×4L×月の稼働日数 | ||
| 学校・保育園・幼稚園 | 職員・生徒数×3.6L×月の稼働日数 | |||
| その他の場合 | 1日のトイレ使用回数(利用人数)×0.4L×月の稼働日数×1.2(余裕率) | |||

便槽算定自動計算フォーム(店舗の場合)
【例】ファミリーレストランで簡易水洗トイレを使用、1日の来客が100人、従業員が10人、1ヶ月の稼働日数が31日の場合
100人×0.4ℓ×31日+10人×4ℓ×31日=2,480ℓ
- ※来客数が増えた場合を考えて、大きめの便槽をお選びください。
- ※上記式での容量算定は1ヶ月に1度の汲取りを原則としています。積雪地帯など、汲取り回数が少なくなる地域では大きめの便槽をお選びください。
便槽の施工について

ダイワ化成の水溜め機構タイプの簡易水洗トイレと組合せると洗浄力の向上により、便槽の埋設深さを浅くすることができます。
❶特長
水溜め機構タイプの簡易水洗トイレとの組合せの場合 勾配20°以上メリット1
かさ上げの削減
【例】床高(FL~GL)が500mm、配管長さが2,000mmのとき、約2個分(450mm)のかさ上げが不要になります。
メリット2
工事の負担を軽減
深埋めのための掘削・補強工事などを軽減し、工事費を削減できます。
※ この条件はFZ500・400・300など、水溜め機構タイプの簡易水洗トイレをご使用の場合に限ります。
※いずれの場合も、配管の長さは2m以内で施工してください。
※導入管勾配を20°にする場合は、別途部品が必要です。
便槽設置上の注意
設置場所によって、便槽に様々な外圧がかかる場合があります。
便槽に大きな外圧がかかると破損につながるおそれがありますので、埋設場所の状態や埋設深さなどに充分ご注意ください。
※接続部、摺動部は漏水のないように確実に接着してください。
※1999年5月より便槽の導入管はVU100塩ビ管です。
標準埋設状態
便槽の種類により異なりますが、一般的に埋設深さは土かぶり500mm以内で計画してください。必ず各便槽の埋設条件(土かぶり)を守って設置してください。

地下水位が高い場合
深埋めにならないよう計画してください。通常の深さでは問題ありませんが、他の条件と重なると便槽に+αの荷重がかかります。
※配管勾配がとれない場合はFRP便槽(TS-G、TF型など)で計画してください。

深く埋設する場合
各便槽の埋設条件(土かぶり)を超えて深埋めする場合は、コンクリートピットなどで便槽に直接土圧がかからないように補強してください。

崖下に設置する場合
コンクリートのよう壁などで、便槽に直接荷重がかからないように補強してください。

上部が車庫や駐車場の場合
鉄筋コンクリートの上板とコンクリート柱などで、便槽に直接車重がかからないように補強してください。

建屋の基礎下に便槽が来る場合
基礎をカットするか地中梁などで、便槽に直接建屋荷重がかからないように補強してください。

便槽の配管接続について

※イラストはイメージです。
〇正しい例




×誤った例詰まりの原因となります。

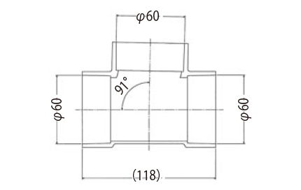
配管は2m以上で施工しないでください。
※勾配20°以上(水溜機構タイプのトイレ)勾配30°~40°以上(バランス式開閉弁タイプのトイレ)

大便器の導入管を途中で合流させないでください。

配管を途中で曲げないでください。
ご購入について For Customer
お問い合わせ・資料請求
ダイワ化成製品についての
お問い合わせ、購入のご相談
オンラインでの面談(Zoom)は
こちらで受け付けます。
接続部、摺動部は漏水のないように確実に接着してください。1999年5月より便槽の導入管はVU100塩ビ管です。
臭突関係

簡水65臭突セット/Ⅰ
18,000円(税別)

| 品名 | 品番 | 数量 |
|---|---|---|
| ①臭突パイプ VU65L80(S付)/I |
BU65×80S/I | 5 |
| ②臭突自在ソケット VU65/I |
B31404/I | 1 |
| ③振レ止メ金具 VU65 |
B32905 | 1 |
| ④排気扇(電動ファン) | BF420/600 | 1 |
| ⑤異径ソケット 100×65 |
B31510 | 1 |

簡水65臭突セット(エルボ付)/Ⅰ
23,000円(税別)

| 品名 | 品番 | 数量 |
|---|---|---|
| ①臭突自在ソケット VU65/I |
B31404/I | 1 |
| ②臭突パイプ VU65L80(S付)/I |
BU65×80S/I | 4 |
| ③臭突パイプ VU65L80/I |
BU65×80/I | 1 |
| ④排気扇(電動ファン) | BF420/600 | 1 |
| ⑤振レ止メ金具 VU65 |
B32905 | 2 |
| ⑥臭突エルボ VU65 / I |
B31209/I | 2 |
| ⑦異径ソケット 100×65 |
B31510 | 1 |

排気扇(電動ファン)
5,800円(税別)

φ76φ106両用タイプ
100V 8W 70m³/h コード2.5m
排気扇のカラーはグレーです。
※ VU100には接続できません。

臭突自在エルボVU65/Ⅰ
3,700円(税別)

VU65用 アイボリー

臭突エルボVU65/Ⅰ
1,400円(税別)

VU65用 アイボリー

臭突パイプVU65L80(S付)/Ⅰ
2,800円(税別)

外径φ76×長さ800mm
片スリープ付 アイボリー

臭突自在ソケットVU65/Ⅰ
2,700円(税別)

VU65用 アイボリー

異径ソケット100×65
600円(税別)


振れ止め金具VU65
2,700円(税別)

材質:ステンレス VU65用
※ パイプに合わせて曲げ加工してご使用ください。
※ 壁面などへ固定する側は二股に分かれます。
導入管関係

簡水導入管セット1階用チーズ付
18,800円(税別)
| 品名 | 品番 | 数量 |
|---|---|---|
| 導入自在ソケット107 | B31403R | 1 |
| 導入管L65 | BU100×65 | 1 |
| VU自在エルボ(R用) | B31302R | 1 |
| 導入短管L30 | BU100×30 | 1 |
| 導入短管S付L22 | BUS100×22 | 2 |
| 導入チーズ(R用) | B31104R | 1 |
| 導入口キャップR114 | B32106 | 1 |
※臭突接続用のチーズが同梱になっています。

簡水導入管セット1階用
9,200円(税別)
| 品名 | 品番 | 数量 |
|---|---|---|
| 導入自在ソケット107 | B31403R | 1 |
| 導入管L100 | BU100×100 | 1 |
| VU自在エルボ(R用) | B31302R | 1 |
| 導入短管L30 | BU100×30 | 1 |

簡水導入管セット2階用
29,900円(税別)
| 品名 | 品番 | 数量 |
|---|---|---|
| 導入自在ソケット107 | B31403R | 1 |
| 導入管L65 | BU100×65 | 1 |
| VU自在エルボ(R用) | B31302R | 2 |
| 導入短管L30 | BU100×30 | 2 |
| 導入短管S付L22 | BUS100×22 | 1 |
| 導入チーズ(R用) | B31104R | 1 |
| 導入口キャップR114 | B32106 | 1 |
| 導入管S付L100 | BUS100×100 | 3 |
| 振レ止メ金具114 | B32903R | 1 |

導入自在ソケット107(R用)
3,200円(税別)

可変角度±10°

導入チーズ(R用)
4,400円(税別)

臭突や1・2階配管を連結する場合にご使用ください。

VU自在エルボ
3,200円(税別)

可変角度±10°

導入管VU100L100
3,200円(税別)
外径φ114
内径φ107

導入短管S付L22
1,500円(税別)

導入管S付100×100(全長100S部含む)
5,100円(税別)

導入口キャップR114
1,100円(税別)


10°ブッシング100
1,400円(税別)

導入管角度を最低の20°にするときにご使用ください。

振れ止め金具114
2,700円(税別)

材質:鋼板 φ114用
※ 壁面などへ固定する側は二股に分かれます。
小便管関係

小便管セット(VU)
7,600円(税別)
| 品名 | 品番 | 数量 |
|---|---|---|
| 小便チーズ | B31107 | 1 |
| 小便エルボ | B31208 | 3 |
| 小便パイプL80 | BU50×80 | 2 |
| 異径ソケット(VUIN75×50) | B31508 | 1 |
小便器を併設する場合にご使用ください。

小便パイプVU50L80
700円(税別)


小便エルボVUDT50
500円(税別)


小便チーズVUDT100×50
2,600円(税別)

※ 導入管と小便管の接続にご使用ください。

小便チーズVUDT50×50
1,100円(税別)

※ 小便器が複数の場合にご使用ください。
無臭便槽からのリフォーム関係

改装部品ジャバラセット
11,000円(税別)
無臭便槽に簡易水洗トイレを接続する場合にご使用ください。
ジャバラ管差し込み部を偏芯させて施工しやすくしています。

改装部品ジャバラセット
11,000円(税別)
ソケットが2分割なので不要な部分のカットをしなくてすみます。

改装用ソケットB(偏芯タイプ)
3,700円(税別)

ソケット単品です。
ジャバラ管の代わりにパイプやエルボを使って接続するときにご使用ください。
ジャバラ管差し込み部を偏芯させて施工しやすくしています。

改装用ソケットC(分割タイプ)
3,700円(税別)

ソケット単品です。
ジャバラ管の代わりにパイプやエルボを使って接続するときにご使用ください。
2分割なので不要な部分のカットをしなくてすみます。

改装用ジャバラ管
10,000円(税別)

マンホール
対応機種や寸法を必ずご確認ください。

マンホール(樹脂)340ロック式(R用)
6,800円(税別)

NV-R、VE-R、TF、TRG、NP-R用
安全荷重:150kg フタ枠セット
※防水仕様ではありません。

マンホール(鋳鉄)350(2T仕様)
33,000円(税別)

安全荷重:500kg
耐荷重:2T フタ枠セット
※防水仕様ではありません。

マンホール(樹脂)200(クサリ付)
5,500円(税別)

TS、TS-G用
耐荷重:250kg フタ枠セット
※防水仕様ではありません。

マンホール(樹脂)350ロック式
5,500円(税別)

雑排槽D-10・20・30・100用
耐荷重:250kg フタ枠セット
※防水仕様ではありません。
マンホールソケット
対応機種や寸法を必ずご確認ください。

マンホールソケット(R用)H250(有効)
6,700円(税別)

NV-R、VE-R、TF、TRG、NP-R用
有効高さ250mm

マンホールソケット
3,900円(税別)

TS、TS-G用
有効高さ250mm
その他

満水警報盤
85,000円(税別)
RF-5【受注生産品】フロート(ケーブル6m)
27,000円(税別)

※ 写真はRSH-380
便槽などの補修用品です。
危険物取扱者免状(乙種以上)が必要です。
取扱いには充分注意してください。
FRP補修用品セット
14,900円(税別)
同梱部材:樹脂、硬化剤、ガラスマット、アセトン、羊毛ローラー、サンドペーパー、容器
RSF-3RFRP補修用樹脂
10,200円(税別)
同梱部材:樹脂、硬化剤、ガラスマット
※ 掲載の商品は予告なく仕様・価格を変更する場合があります。
※ 表示の価格には消費税は含まれておりません。
※ モニターの都合上、掲載写真と実際の色が異なる場合がございます。
