接続部、摺動部は漏水のないように確実に接着してください。
※NPは旧型となります。NP-Rとは配管径などが異なっています。
NP-R用

便器受け(スパット)R用
2,600円(税別)


ロングスパット(R用)
5,200円(税別)


臭溜り(R用)
5,900円(税別)


マンホールソケット(R用)H250(有効)
6,700円(税別)

有効高さ250mm

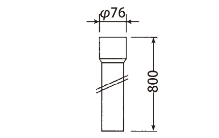
臭突パイプSU65L80(S付)(グレー)
1,900円(税別)

外径φ76×長さ800mm
片スリーブ付 グレー

小便エルボ
1,500円(税別)

材質 PVC

小便パイプ54L80(S付)
1,400円(税別)

材質 PVC
NP・NP-R共用

排気扇(電動ファン)
5,800円(税別)
φ76 φ106両用タイプ
100V 8W 70m³/h コード長さ2.5m
排気扇のカラーはグレーです。

タテパイプ L=1000
4,900円(税別)

タテパイプ L=1000
9,300円(税別)


曲り継タシパイプ
3,900円(税別)

無臭便槽の横引き延長用です。使用は1ヶ(長さ250mm)までとしてください。

マンホール(樹脂)340ロック式(R用)
6,800円(税別)

安全荷重:150kg フタ枠セット
※防水仕様ではありません。

※ 写真はRSH-380
便槽などの補修用品です。
危険物取扱者免状(乙種以上)が必要です。
取扱いには充分注意してください。
FRP補修用品セット
14,900円(税別)
同梱部材:樹脂、硬化剤、ガラスマット、アセトン、羊毛ローラー、サンドペーパー、容器
RSF-3RFRP補修用樹脂
10,200円(税別)
同梱部材:樹脂、硬化剤、ガラスマット
NP用代替品

無臭65臭突セット/Ⅰ VUSU100ブッシュ付
25,000円(税別)
| 品名 | 品番 | 数量 |
|---|---|---|
| 臭突パイプVU65L80(S付) | BU65×80S/Ⅰ | 5 |
| 臭突自在ソケットVU65/Ⅰ | B31404/Ⅰ | 1 |
| 振れ止め金具VU65 | B32905 | 1 |
| 排気扇(電動ファン) | BF420/600 | 1 |
| 異径ソケット 100×65 | B31510 | 1 |
| VUSU100ブッシュ | RSV100×100 | 1 |
同梱のVUSU100ブッシュは臭突パイプ106との接続にご使用ください。
無臭便槽に標準で入っている臭突セットとは異なります。

臭突パイプVU65L80(S付)
2,800円(税別)

外径φ76×長さ800mm
片スリーブ付 アイボリー

ロングスパット(NP用代替品)
5,800円(税別)

H350 旧NPタンク用
※上のグレーの部分と下の黒い部分を接着していないタイプもございます。
(品番B30301A)詳しくはお問い合わせください。

臭溜り(NP用代替品)
8,000円(税別)

旧NPタンク用
NP用

臭突パイプ106L75
1,800円(税別)
外径φ106×長さ750mm、グレー

臭突ソケット106
700円(税別)

振れ止め金具106
2,700円(税別)

材質 鋼板
φ106用
※壁面などへ固定する側は二股に分かれます。
※ 掲載の商品は予告なく仕様・価格を変更する場合があります。
※ 表示の価格には消費税は含まれておりません。
※ モニターの都合上、掲載写真と実際の色が異なる場合がございます。